QR code
Producten
Neem contact met ons op

Telefoon

Fax
+86-574-87168065

E-mailen

Adres
Luotuo Industrial Area, Zhenhai District, Ningbo City, China
Raydafon's SWC-DH Short Flex-lassentype Universele koppeling is gebouwd om verkeerd uitgelijnde assen te verbinden in zware versnelling-denk aan rollende molens, takels en staalverwerkingsmachines. Het is een compacte korte flex universele koppeling, met een schartdiameter die varieert van 45 mm tot 390 mm. Zelfs wanneer schachten met maximaal 25 graden zijn uitgeschakeld (hoekuitlijning), beweegt het het koppel nog steeds efficiënt - maxt uit bij 1000 kN · m, die precies past bij de vermogensbehoeften van zware apparatuur.
We maken het met hoogwaardig 35CRMO-staal en voegen vier naaldlagers toe, dus het houdt vast onder zware belastingen. Daarom is het een solide keuze voor universele koppelingen van industriële machines en werkt het geweldig als zwaar gemaakte universele koppelingen op plekken waar ladingen hoog non -stop blijven. Het korte-flex-ontwerp is perfect voor machines met weinig ruimte voor axiale beweging-biedt een stoere transmissie-fix voor stoere industriële ruimtes.
Raydafon is een in China gevestigde fabrikant met ISO 9001-certificering, dus we houden ons aan strikte kwaliteitsregels voor elke SWC-DH Universal-koppeling. De kruisas krijgt een chromen plaat om corrosie te bestrijden, dus het duurt zelfs als de omstandigheden hard zijn. Het gelaste juk maakt de installatie ook eenvoudiger - lineaire schachten rechtop en het werkt op zijn best. Je vindt het op versnelling in metallurgie, mijnbouw en kraansystemen, geen probleem.
Bovendien komt deze koppeling in verschillende maten en koppelbeoordelingen. Als u een aangepaste universele koppeling nodig hebt voor industriële machines - zeg, voor oogsters of andere specifieke uitrusting - kunnen we deze aanpassen aan uw behoeften en de prijs blijft concurrerend. We hebben de productie-knowhow om deze korte flexkoppeling op de downtime van apparatuur te laten verminderen, zodat uw machines in het algemeen meer betrouwbaar worden.
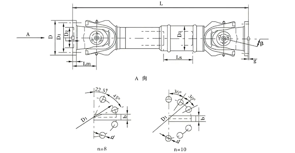
| Nee. | Gyratiediameter D mm | Nominaal koppel Tn KN · M | Bijlen vouwhoek β (°) | Vermoeid koppel TF KN · M | Flex -hoeveelheid LS MM | Grootte (mm) | Roterende traagheid kg.m2 | Gewicht (kg) | |||||||||||
| Lin | D1 (JS11) | D2 (H7) | D3 | Lm | N-D | k | t | b (H9) | g | Lin | Toename 100 mm | Lin | Toename 100 mm | ||||||
| SWC180DH1 | 180 | 20 | 10 | ≤25 | 75 | 650 | 155 | 105 | 114 | 110 | 8-17 | 17 | 5 | - | - | 0.165 | 0.0070 | 58 | 2.8 |
| SWC180DH2 | 55 | 600 | 0.162 | 56 | |||||||||||||||
| SWC180DH3 | 40 | 550 | 0.160 | 52 | |||||||||||||||
| SWC225DH1 | 225 | 40 | 20 | ≤15 | 85 | 710 | 196 | 135 | 152 | 120 | 20 | 5 | 32 | 9.0 | 0.415 | 0.0234 | 95 | 4.9 | |
| SWC225DH2 | 70 | 640 | 0.397 | 92 | |||||||||||||||
| SWC250DH1 | 250 | 63 | 31.5 | ≤15 | 100 | 795 | 218 | 150 | 168 | 140 | 8-19 | 25 | 6 | 40 | 12.5 | 0.900 | 0.0277 | 148 | 5.3 |
| SWC250DH2 | 70 | 735 | 0.885 | 136 | |||||||||||||||
| SWC285DH1 | 285 | 90 | 45 | ≤15 | 120 | 950 | 245 | 170 | 194 | 160 | 8-21 | 27 | 7 | 40 | 15.0 | 1.876 | 0.0510 | 229 | 6.3 |
| SWC285DH2 | 80 | 880 | 1.801 | 221 | |||||||||||||||
| SWC315DH1 | 315 | 125 | 63 | ≤15 | 130 | 1070 | 280 | 185 | 219 | 180 | 10-23 | 32 | 8 | 40 | 15.0 | 3.331 | 0.0795 | 346 | 8.0 |
| SWC315DH2 | 90 | 980 | 3.163 | 334 | |||||||||||||||
| SWC350DH1 | 350 | 180 | 90 | ≤15 | 140 | 1170 | 310 | 210 | 267 | 194 | 10-23 | 35 | 8 | 50 | 16.0 | 6.215 | 0..2219 | 508 | 15.0 |
| SWC350DH2 | 90 | 1070 | 5.824 | 485 | |||||||||||||||
| SWC390DH1 | 390 | 250 | 125 | ≤15 | 150 | 1300 | 345 | 235 | 267 | 215 | 10-25 | 40 | 8 | 70 | 18.0 | 11.125 | 0.2219 | 655 | |
| SWC390DH2 | 90 | 1200 | 10.763 | 600 | |||||||||||||||
* 1. TF-onder de afwisseling Laad het koppel dat het mogelijk maakt op basis van de vermoeidheidssterkte. * 2. Lmin-de minste lengte na de snit. * 3. L-installatie lengte, wat volgens de vereiste is
De SWC Universal Joint-koppeling, vaak de SWC Cardan Shaft Universal Joint-koppeling genoemd, is een belangrijk onderdeel in zware industriële scenario's. Het is onmisbaar voor rollende molens, takelmachines en verschillende grootschalige zware machinesystemen. Als een universele gewrichtskoppeling met een hoge kaal, kan het twee transmissiesassen effectief verbinden met niet-hoofdlanden, waardoor ononderbroken stroomoverdracht zelfs onder complexe en harde werkomstandigheden zorgt.
De kerntechnische parameters van deze koppeling zijn als volgt:
Gyratiediameter: φ58 - φ620
Nominaal koppel: 0,15 - 1000 kN · m
As vouwhoek: ≤25 °
In praktische toepassingen presteert het uitzonderlijk goed. Bijvoorbeeld, tijdens de operaties van de rollenmolen, wanneer een betrouwbare zware universele gewrichtskoppeling is gewijd aan rollende molens nodig, of bij het heffen van en materiaalbehandelingsapparatuur, wanneer een duurzame SWC Universal Joint Shaft-koppeling vereist is, is dit product volledig competent. Zelfs onder zware belastingen kan het stabiel de operationele stabiliteit van de apparatuur behouden.
De SWC Universal Joint -koppeling is ontworpen met behulp van geavanceerde engineeringprincipes, die uitzonderlijke prestaties leveren en een langere levensduur in industriële omgevingen. De belangrijkste structurele kenmerken zijn als volgt:
Redelijke en veilige structuur: met een geïntegreerd vorkhoofdontwerp, deze industriële universele gewrichtskoppeling vermindert het risico op loslating of breuk van de bout, waardoor de structurele sterkte met 30%-50%toeneemt. Dit ontwerp zorgt voor een veilige en betrouwbare werking, verlengt de levensduur van de services in vergelijking met traditionele modellen en voorkomt gemeenschappelijke storingen in hogedrukscenario's zoals universele gewrichtskoppelingssystemen voor zware machines.
Verbeterde belastingdragende capaciteit: de SWC Heavy-Duty Universal Joint-koppeling is specifiek ontworpen om zware belastingen te dragen, waardoor het essentieel is in scenario's die uitstekend belastingbeheer vereisen, zoals mijnbouw- of bouwmachines.
Hoge transmissie-efficiëntie: met een efficiëntie van maximaal 98,6%vermindert deze efficiënte universele gewrichtskoppeling voor krachtige transmissie aanzienlijk het energieverbruik en de aanverwante kosten, waardoor het de eerste keuze is voor energiebesparende universele gewrichtskoppelingsoplossingen in krachtige industriële transmissiesystemen.
Stabiele werking met lage ruis: deze low-roise universele gewrichtskoppeling werkt stabiel met ruisniveaus, meestal tussen 30-40 dB (A), waardoor rustige prestaties worden gewaarborgd. Het is ideaal voor ruisgevoelige omgevingen met behoud van een hoge betrouwbaarheid.
Universele gezamenlijke koppelingen, met name de SWC Cardan Shaft Universal Joint -koppeling, zijn onmisbare transmissiecomponenten geworden in industriële toepassingen vanwege hun uitstekende voordelen. Ze kunnen voldoen aan de kernbehoeften met hun prestaties in velden zoals zware machines, precisieproductie en energietransmissie. Hieronder is een gedetailleerde analyse van hun belangrijkste voordelen:
1. Sterke koppeltransmissie en uitstekende verkeerde uitlijningscompensatie
Als een universele gewrichtskoppeling met een hoge kaal, kan het stabiel krachtige belastingen verzenden. Zelfs in scenario's waarbij de verkeerde uitlijning van de as vaak plaatsvindt tijdens de operaties van de rolmolen-zoals axiale offset veroorzaakt door rolslijtage en temperatuurveranderingen tijdens stalen rollen-deze betrouwbare zware universele gewrichtskoppeling voor rollende molen kan het gemakkelijk aan. Het kan tegelijkertijd hoekig, axiale en radiale verkeerde uitlijningen compenseren, met een maximale hoekuitlijning van maximaal 25 graden. Dit uitstekende aanpassingsvermogen voor verkeerde uitlijning voorkomt transmissionjams veroorzaakt door verkeerde uitlijning van de as, zorgt voor continue en stabiele stroomafgifte, vermindert de kans op mechanische fouten onder extreme werkomstandigheden aanzienlijk en garandeert de continue werking van productielijnen.
2. Hoge duurzaamheid en een langere levensduur
De ontwerp- en materiaalselectie van SWC Universal Joint -koppelingen zijn gecentreerd op "Weerstaan van zware belastingen en weerstandse ruwe omgevingen". Het hoofdlichaam is gemaakt van hoogwaardig legeringsstaal, gecombineerd met een geïntegreerde vorkkopstructuur, die fundamenteel veel voorkomende faalpunten zoals bout losmaken en componentbreuk vermindert. Het nemen van de duurzame SWC universele gewrichtsaskoppeling die als voorbeeld wordt gebruikt bij het tillen en materiaalbehandelingsapparatuur, kan het de onmiddellijke impactbelasting weerstaan bij het optillen van zware objecten en stabiele prestaties behouden in harde omgevingen zoals stof en hoge temperaturen. In vergelijking met traditionele splitstructuurkoppelingen heeft deze industriële universele gewrichtskoppeling een algemene sterkte met 30%-50%, wat niet alleen de frequentie van dagelijks onderhoud vermindert, maar ook de levensduur van het services met 2-3 jaar verlengt. Het is met name geschikt voor de langdurige werkingsbehoeften met hoge laden van universele gewrichtskoppelingssystemen voor zware machines.
3. Hoge transmissie-efficiëntie en significant energiebesparende effect
Tests hebben aangetoond dat de transmissie-efficiëntie van de SWC zware universele gezamenlijke koppeling zo hoog is als 98,6%, wat duidelijke voordelen heeft in krachtige industriële transmissiescenario's-zoals hoogovenventilatoren in staalplanten en kolentransportsystemen in energiecentrales. Voor apparatuur die continue krachtige transmissie vereist, kan het matchen met deze efficiënte universele gewrichtskoppeling voor grote stroomoverdracht het vermogensverlies minimaliseren. Voor ondernemingen die energiebesparende universele gezamenlijke koppelingsoplossingen nastreven, kan deze hoge efficiëntie direct worden omgezet in kostenvoordelen: het nemen van een industriële motor van 1500 kW als voorbeeld als een voorbeeld, kan het meer dan 12.000 yuan in elektriciteitskosten per jaar besparen, en kan het worden geheven met de trends van de energieverbruik in het industrie.
4. Stabiele en rustige operatie, geschikt voor meerdere scenario's
Door de nauwkeurigheid van de lagersnauwkeurigheid te optimaliseren en smeervet te gebruiken met een lage wrijvingscoëfficiënt, wordt de werkgeluid van deze low-roise universele gewrichtskoppeling strikt geregeld op 30-40 dB (A), dat gelijkwaardig is aan het omgevingsgeluidsniveau van een dagelijkse kantoor en volledig voldoet aan de geluidsemissienormen van industriële locaties. In ruisgevoelige scenario's-zoals productielijnen in voedselverwerkende fabrieken en het overbrengen van apparatuur voor precisie-elektronische componenten-kan het niet alleen zorgen voor de stabiliteit en betrouwbaarheid van het transmissiesysteem, maar ook voorkomen dat de workshopomgeving of de operationele ervaring van werknemers vanwege lawaai is. Tegelijkertijd kunnen de stabiele transmissiekarakteristieken ook de slijtage van omliggende componenten veroorzaakt door trillingen van apparatuur verminderen, waardoor de operationele stabiliteit en de levensduur van het gehele productiesysteem verder wordt verbeterd.
De SWC-DH korte flex lassentype universele koppeling, vaak aangeduid als de SWC Cardan Shaft Universal Joint-koppeling, wordt voornamelijk gebruikt in zware machinescenario's zoals rollen en takels. Dit type apparatuur heeft een extreem hoge vereisten voor structurele compactheid en flexibiliteit - alleen door te voldoen aan deze twee punten kan een efficiënte werking worden bereikt, en deze koppeling voldoet perfect aan dergelijke behoeften. Als een universele gewrichtskoppeling met een hoge kaal, kan het twee transmissiesassen effectief verbinden met niet-co-coctieve assen, waardoor naadloze stroomtransmissie wordt gewaarborgd, zelfs in harde industriële omgevingen die een nauwkeurige compensatie vereisen voor verkeerde uitlijning van het assysteem.
In praktische toepassingen is of een betrouwbare zware universele gewrichtskoppeling voor rollende molenactiviteiten nodig is tijdens het rollen van de rolmolen, of een duurzame SWC Universal Joint Shaft-koppeling is vereist bij het tillen en materiaalbehandelingsapparatuur, dit product kan uitstekend presteren-het kan een stabiele apparatuurbewerking behouden, zelfs onder extreme ladingen. Het aanpassingsvoordeel is met name prominent aanwezig in compacte apparatuurlay -outs waar de ruimte beperkt is en een kort flexibele structuurontwerp vereist is.
Deze SWC-DH industriële universele gezamenlijke koppeling is gebouwd met geavanceerde engineering-technologie en geoptimaliseerd voor prestaties en levensduur, specifiek voor industriële scenario's. Het kernstructurele kernfunctie ligt in zijn redelijke en veilige ontwerp: de geïntegreerde vorkhoofdstructuur elimineert fundamenteel de verborgen gevaren van losraken of breuk, waardoor de totale sterkte met 30%-50%wordt verhoogd. Dit ontwerp zorgt niet alleen voor de veiligheid en betrouwbaarheid van de werking, maar verlengt ook de levensduur van de serviceverslag in vergelijking met traditionele modellen, terwijl ze veel voorkomende faalproblemen in hoge spanningscenario's zoals Universal Joint-koppelingssystemen voor zware machines vermijden.
Bovendien wordt de belastingdragende capaciteit verbeterd door ontwerp om grotere gewichten te weerstaan, dus deze SWC zware universele gewrichtskoppeling is zeer geschikt voor scenario's met strikte vereisten voor het dragen van de belasting, zoals mijnbouwmachines en bouwapparatuur. Wat de transmissie -efficiëntie betreft, bereikt het tot 98,6%. Als een efficiënte universele gewrichtskoppeling voor grote stroomoverdracht, kan het het energieverbruik en de elektriciteitskosten aanzienlijk verminderen, waardoor het een voorkeursproduct is voor energiebesparende universele gewrichtskoppelingsoplossingen op het gebied van krachtige industriële transmissie.
Ten slotte heeft deze koppeling een stabiele transmissie, met bedrijfsruis dat meestal wordt geregeld op 30-40 dB (A), waardoor het een lage-ruis universele gewrichtskoppeling is. Met dit kenmerk kan het rustig werken, zelfs in ruisgevoelige industriële scenario's met behoud van een hoge betrouwbaarheid te allen tijde.
⭐⭐⭐⭐⭐ Wang Lei, projectingenieur, Guangdong Heavy Machinery Co., Ltd.
We gebruiken al een tijdje Raydafon's SWC-DH Short Flex Laptype Universal-koppeling in onze zware machines, en het is een aangename verrassing-vooral als het gaat om het passen in krappe plekken. Onze apparatuur heeft een vrij beperkte ruimte voor transmissie -onderdelen, maar het compacte ontwerp van deze koppeling past als een handschoen, u hoeft geen andere componenten te herschikken om het te laten werken.
Wat nog beter is, is dat het geen prestaties opoffert voor de grootte. Het levert nog steeds een sterke, gestage koppeltransmissie-kritisch voor onze zware bewerkingen. We hebben het wekenlang continu uitgevoerd en er is geen abnormale trillingen geweest; Het hele systeem blijft soepel. De laskwaliteit is ook een ander hoogtepunt-je kunt zien dat het solide is door er alleen naar te kijken, wat ons totaal vertrouwen geeft dat het langdurig zwaar wordt gebruikt. Voor een koppeling die ruimtebesparend ontwerp en betrouwbaarheid in evenwicht houdt, is dit een winnaar.
⭐⭐⭐⭐⭐ Zhao Ming, Procurement Manager, Tianjin Steel Equipment Co., Ltd.
We hebben onlangs verschillende SWC-DH-koppelingen van Raydafon besteld, en ik moet zeggen dat het hele inkoopproces een briesje was-geen hoofdpijn, geen vertragingen. Vanaf het moment dat we de bestelling stuurden, reageerde hun team en de levering verscheen direct op de geplande datum, wat een groot pluspunt is om onze productie op het goede spoor te houden. De verpakking was ook eersteklas: elke koppeling was veilig gewikkeld, geen deuken of schade tijdens de verzending-gewoon klaar om te unboxen en te installeren.
Ons technische team heeft de opstelling afgehandeld en ze zeiden meteen hoe gemakkelijk het was om te monteren. Geen gecompliceerde stappen, geen behoefte om op speciale tools te jagen - ze hebben het snel gemonteerd en het is sindsdien betrouwbaar. Wanneer u rekening houdt met de redelijke prijs in combinatie met deze consistente prestaties, is het duidelijk dat deze koppeling een grote waarde biedt. We zijn al van plan om het op onze reguliere inkooplijst te houden; Het is het soort product dat mijn werk als koper gemakkelijker maakt.
⭐⭐⭐⭐⭐ Liu Hong, onderhoudsdirecteur, Shandong Industrial Group
Als iemand die toezicht houdt op het onderhoud van apparatuur, is mijn grootste prioriteit om downtime te verminderen en de tijd te verminderen die mijn team besteedt aan het onderhouden van onderdelen. De SWC-DH-koppeling van Raydafon controleert beide vakken perfect. We gebruiken het in apparatuur die dagelijks onder zware werkbelastingen loopt, en het glijdt nooit uit of verschuift - stegen stevig op zijn plaats, geen losse verbindingen. Zelfs na maanden gebruik is er nauwelijks een teken van slijtage, wat een enorm contrast is met andere koppelingen die we eerder hebben gebruikt.
Met die oudere koppelingen waren we altijd aan het plannen van snelle fixes of gedeeltelijke vervangingen, die in productietijd aten en in kosten opgeteld waren. Deze? We raken het nauwelijks aan - geen frequent onderhoud, geen onverwachte storingen. Het heeft ons zoveel tijd en geld bespaard op onderhoud, en het blijft zijn werk betrouwbaar doen. Tegenwoordig is het een go-to-component geworden in onze dagelijkse activiteiten; Ik hoef me er geen zorgen over te maken, waardoor ik me op andere prioriteiten kan concentreren. Het is precies het soort betrouwbare deel dat elk onderhoudsteam nodig heeft.
Adres
Luotuo Industrial Area, Zhenhai District, Ningbo City, China
Tel
E-mailen


+86-574-87168065


Luotuo Industrial Area, Zhenhai District, Ningbo City, China
Copyright © Raydafon Technology Group Co., beperkte alle voorbehouden rechten.
Links | Sitemap | RSS | XML | Privacy Policy |
