QR code
Producten
Neem contact met ons op

Telefoon

Fax
+86-574-87168065

E-mailen

Adres
Luotuo Industrial Area, Zhenhai District, Ningbo City, China
Raydafon's SWC-WF zonder flex flens type universele koppeling wordt gemaakt alleen voor transmissie met een hoge kook in zware machines-denk aan metallurgieapparatuur, kranen, mijnsystemen, alle stoere opstellingen die gestaag vermogen nodig hebben. Het heeft een niet-flexibel flensontwerp, ronddraaiendiameters variërend van 160 mm tot 640 mm, en dit flens type universele koppeling verwerkt grote hoekige verkeerde uitlijningen plus continue roterende snelheden geen probleem, zelfs wanneer ze in super veeleisende omstandigheden werken. We gebruiken 35CRMO-staal met hoge sterkte om het te bouwen, dus het staat perfect op in intense belastingen-ook waarom het een topkeuze is voor universele koppelingen voor zware machines en niet-flex universele koppels voor industriële toepassingen. De precisieproductie van Raydafon zorgt ervoor dat het elke keer solide prestaties levert, vooral voor industrieën die geen compromissen kunnen sluiten over consistente koppelafgifte.
Deze SWC-WF universele koppeling is gebouwd om lang mee te gaan, met een stijve flensaansluiting die installatie eenvoudig maakt in systemen zoals scheepsbouwaandrijvingen en rollen-plaatsen waar axiale beweging niet veel is. We volgen Strictly ISO 9001-normen en onze in China gevestigde fabriek maakt gebruik van geavanceerde bewerking plus strakke kwaliteitscontroles om deze duurzame flens universele koppeling te maken. Het wordt geleverd in aanpasbare maten, met koppelbeoordelingen tot 1250 kN · m, dus het past precies in aangepaste universele koppelingen voor metallurgieapparatuur en andere zware opstellingen. Raydafon biedt ook oplossingen op maat tegen concurrerende prijzen, waardoor de downtime wordt verlaagd en de betrouwbaarheid van uw apparatuur te vergroten.
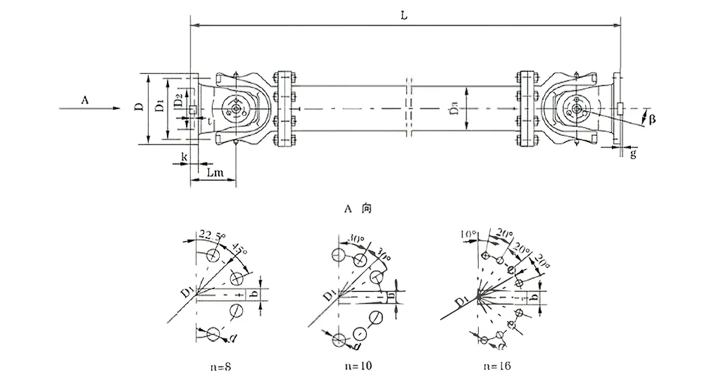
| Nee. | Gyratiediameter D mm | Nominaal koppel Tn KN · M | Bijlen vouwhoek β (°) | Vermoeid koppel TF KN · M | Grootte (mm) | Roterende traagheid kg.m2 | Gewicht (kg) | |||||||||||
| Lin | D1 (JS11) | D2 (H7) | D3 | Lm | N-D | k | t | b (H9) | g | Lin | Toename 100 mm | Lin | Toename 100 mm | |||||
| SWC285WF | 285 | 90 | 45 | ≤15 | 810 | 245 | 170 | 194 | 160 | 8-21 | 27 | 7 | 40 | 15 | 2.664 | 0.051 | 220 | 6.3 |
| SWC315WF | 315 | 125 | 63 | 915 | 280 | 185 | 219 | 180 | 10-23 | 32 | 8 | 40 | 15 | 4.469 | 0.0795 | 300 | 8.0 | |
| SWC350WF | 350 | 180 | 90 | 980 | 310 | 210 | 267 | 194 | 10-23 | 35 | 8 | 50 | 16 | 7.388 | 0.2219 | 412 | 15.0 | |
| SWC390WF | 390 | 250 | 125 | 1100 | 345 | 235 | 267 | 215 | 10-25 | 40 | 8 | 70 | 18 | 13.184 | 0.2219 | 588 | 15.0 | |
| SWC440WF | 440 | 355 | 180 | 1290 | 390 | 255 | 325 | 260 | 16-28 | 42 | 10 | 80 | 20 | 23.250 | 0.4744 | 880 | 21.7 | |
| SWC490WF | 490 | 500 | 250 | 1360 | 435 | 275 | 325 | 270 | 16-31 | 47 | 12 | 90 | 22.5 | 40.750 | 0.4744 | 1173 | 21.7 | |
| SWC550WF | 550 | 710 | 355 | 1510 | 492 | 320 | 426 | 305 | 16-31 | 50 | 12 | 100 | 22.5 | 68.480 | 1.3570 | 1663 | 34.0 | |
| SWC620WF | 620 | 1000 | 500 | 1690 | 555 | 380 | 426 | 340 | 10-38 | 55 | 12 | 100 | 25 | 127.530 | 1.3570 | 2332 | 34.0 | |
* 1. TF-onder de afwisseling Laad het koppel dat het mogelijk maakt op basis van de vermoeidheidssterkte.
* 2. L-installatielengte, wat volgens de vereiste is.
Raydafon's SWC-WF zonder flex flens type universele gewrichtskoppeling-ook de SWC Cardan Shaft Universal Joint-koppeling genoemd-werkt op een basisch mechanisch idee: het krijgt een koppel van twee niet-collineaire schachten naar waar het moet om te gaan, en het behandelt ook verkeerde afstemming. Deze universele gewrichtskoppeling met een hoge baklijst maakt gebruik van een kruisdragende opstelling om de flenzen aan beide uiteinden te verbinden, dus zelfs wanneer de assen worden gecompenseerd met maximaal 25 graden of axiale/radiale afwijkingen hebben, beweegt het nog steeds rotatiekracht soepel.
Het hart van hoe het werkt is het universele gezamenlijke ontwerp - er is een kruisas die zich gedraagt als een draaipunt, waardoor elke flens vanzelf kan bewegen. Op die manier gaat het koppel efficiënt van de aandrijfas naar de aangedreven as, en het maakt hoekuitlijningen goed zonder te veel stress te leggen op de onderdelen waarmee het is verbonden. Als u een betrouwbare zware universele gewrichtskoppeling nodig hebt voor de operaties van de wolken, houdt deze rigide, niet-flexibele flensstructuur de dingen stabiel, wat perfect is voor korte afstandsverbindingen in compacte zware machinesopstellingen.
Wat zijn functie opvalt, is dat het geen flexibele onderdelen of uitbreidingsfuncties heeft - dit onderscheidt het van andere typen en maakt het geweldig voor plaatsen waar axiale beweging minimaal is. De duurzame SWC Universal Joint Shaft -koppeling die we gebruiken bij het tillen en materiaalbehandelingsapparatuur leunt op dit principe om evenwicht te houden, zelfs onder grote belastingen; Het raakt transmissie -efficiëntie tot 98,6% en verspilt niet veel energie. Deze industriële universele gewrichtskoppeling vermindert ook trillingen dankzij precieze lagerbewegingen, dus het loopt soepel zelfs in hoge-stress situaties-net als de zware machines universele gewrichtskoppelingssystemen die je zou zien in stoere industriële banen.
Bovendien heeft Raydafon's SWC zware universele gewrichtskoppeling gelaste flenzen om het steviger te maken-geen zorgen meer over bouten die loskomen, en het verhoogt de algehele sterkte met 30% tot 50%. Als een efficiënte universele gewrichtskoppeling voor grote stroomoverdracht, verwerkt het nominale torques van 0,15 tot 1000 kN · m en heeft het gyratiediameters van φ58 tot φ620-het maken van een topkeuze voor energiebesparende universele gewrichtskoppelingsoplossingen in veeleisende industriële transmissies. En met geluid tussen 30-40 dB (A), loopt deze lage-ruis universele gewrichtskoppeling stil, wat ideaal is voor industriële plekken waar lawaai een punt van zorg is, terwijl u de normen met hoge betrouwbaarheid volhoudt.
Raydafon's SWC Universal Joint -koppeling - vaak genaamd de SWC Cardan Shaft Universal Joint -koppeling - is niet alleen een regulier onderdeel; Het is een must-have voor zware industriële opstellingen, zoals rollende molens, hijs machines en allerlei zware zware machinesystemen. Als een universele gewrichtskoppeling met een hoge kooks, doet het een solide werk met het koppelen van twee transmissieschachten die niet perfect in lijn komen, ervoor zorgen dat de stroom blijft stromen, zelfs wanneer de werkomstandigheden ruw worden.
Laten we het hebben over de belangrijkste specificaties: de schartdiameter varieert van φ58 tot φ620, het nominale koppel gaat van 0,15 tot 1000 kN · m en de as vouwhoek is niet meer dan 25 °.
Dit product schijnt echt in specifieke scenario's, zoals wanneer u een betrouwbare zware universele gewrichtskoppeling nodig hebt voor het vervallen van de rollen, of een duurzame SWC Universal Joint Shaft-koppeling bij het heffen van en materiaalbehandelingsapparatuur. In deze gevallen bewijst het zijn waarde door operaties stabiel te houden, zelfs als het te maken heeft met zware ladingen.
De SWC Universal Joint-koppeling van Raydafon is niet alleen gebouwd voor functie-het is ontworpen met slim ontwerp om industrieel gebruik op te houden en op de lange termijn te blijven presteren. Laten we afbreken wat zijn structuur opvalt.
Ten eerste heeft het een redelijke en veilige configuratie: we hebben een geïntegreerd vorkhoofdontwerp gebruikt voor deze industriële universele gewrichtskoppeling, die de risico's zoals bouten losmaakt of breken. Dat alleen al vergroot zijn structurele integriteit met 30%-50%, dus het werkt veilig en betrouwbaar. In vergelijking met reguliere koppelingen duurt het langer en vermijdt het gemeenschappelijke storingen op spots met hoge stress-zoals de zware machines universele gewrichtskoppelingssystemen die je in zware klusjes ziet.
Dan is er zijn verbeterde belastingdragende capaciteit: deze SWC zware universele gewrichtskoppeling wordt gemaakt om grote gewichten aan te kunnen, dus het is een must-have op plaatsen die eersteklas belastingbeheer nodig hebben, zoals mijnbouw- of bouwmachines.
Het levert ook een hoge transmissie -efficiëntie op - tot 98,6%. Als een efficiënte universele gewrichtskoppeling voor grote stroomoverdracht, vermindert het het energieverbruik en de kosten die daarbij horen. Daarom is het een topkeuze voor energiebesparende universele gezamenlijke koppelingsoplossingen in krachtige industriële transmissie-opstellingen.
En het loopt soepel met laag geluid: het houdt de transmissie stabiel en ruis blijft meestal tussen 30-40 dB (A). Deze low-roise universele gezamenlijke koppeling zorgt ervoor dat de operaties stil blijven, wat perfect is voor plaatsen waar lawaai een probleem is-alles terwijl de betrouwbaarheid op een hoog niveau wordt gehouden.
⭐⭐⭐⭐⭐ Chen Liang, productie -ingenieur, Zhejiang Machinery Co., Ltd.
We zetten Raydafon's SWC-WF zonder flexflens type universele koppeling op een van onze productielijnen, en het werkt tot nu toe geweldig. De simpele maar moeilijke van de structuur was het een briesje, geen ingewikkelde stappen. Zodra het is ingesteld, loopt het soepel, geen extra tweaks nodig. Zelfs als de lading zwaar is, blijft deze koppeling betrouwbaar, wat betekent dat we de machines lange uren kunnen laten draaien zonder ons te veel zorgen te maken - geeft ons zeker meer gemoedsrust.
⭐⭐⭐⭐⭐ Sun Mei, inkoop supervisor, Hebei Steel Co., Ltd.
Ons bedrijf kocht verschillende SWC-WF zonder flexflens type universele koppelingen van Raydafon, en ten eerste was de levering precies op tijd, en de verpakking was ook voorzichtig-helemaal geen schade. Wat echt opvalt voor mij is wat het workshopteam zei: ze vertelden me dat de koppelingen gemakkelijk te installeren waren, en bij het gebruik ervan voelen ze zich echt solide. Plus, vergeleken met andere leveranciers, is de prijs hier eerlijk. Al met al zijn we echt blij met deze aankoop.
⭐⭐⭐⭐⭐ Guo Jun, onderhoudsmanager, Liaoning Heavy Industry Group
Het is mijn taak om onze machines te laten draaien en ik probeer de downtime zoveel mogelijk te verminderen. Omdat we Raydafon's SWC-WF zijn gaan gebruiken zonder universele koppeling van het flexflens type, heb ik een groot verschil opgemerkt-minder slijtage van de kant en veel minder problemen tijdens de werking. Het ontwerp is moeilijk en heeft niet veel onderhoud nodig. Dat bespaart ons zowel tijd als geld, en het is een super betrouwbaar onderdeel voor onze apparatuur.
Raydafon is een belangrijke dochteronderneming van Ever-Power Group Co., Ltd.-We zijn niet alleen een leverancier, maar ook een provider voor transmissiecomponenten van topkwaliteit en industriële oplossingen, en we hebben veel aandacht besteed aan innovatieve producten zoals de SWC Cardan Shaft Universal Joint-koppeling. Sinds we zijn begonnen, hebben we alles over het bevorderen van technologie en groeien op de wereldwijde markten; We stopten niet bij het verkopen van enkele componenten-nu maken we full-system oplossingen die passen bij agrarische en zware industriële behoeften perfect. Onze knowhow in aandrijfschachten en transmissieproducten betekent dat klanten die betrouwbare zware universele gezamenlijke koppeling nodig hebben voor de activiteiten van de wolken (en andere zware banen) op ons kunnen rekenen als een solide partner.
Bij Raydafon maken we een breed scala aan producten: versnellingsbakken, aandrijfassen, hydraulische cilinders, katrollen en zelfs geavanceerde machinegereedschap zoals CNC -draaibanken en freesmachines. Onze hoog-torque universele gezamenlijke koppelingsoplossingen-bijvoorbeeld de SWC-serie-zijn gebouwd om aan de strikte eisen van industrieën te voldoen die duurzame SWC universele gewrichtsaskoppeling nodig hebben bij het heffen en materiaalbehandelingsapparatuur. We hebben ook geavanceerde faciliteiten: CNC-workshops, machines voor het slijpen en warmtebehandeling, 3D-meetinstrumenten-allemaal om te houden aan ISO9001/TS16949-normen, dus elke industriële universele gewrichtskoppeling die we maken is van topkwaliteit en nauwkeurig.
We verkopen 80% van onze producten in het buitenland, aan markten zoals de VS, Duitsland, Japan, Italië, Maleisië, Australië en het Midden -Oosten. En we hebben een sterk netwerk op plaatsen als China, Zuid -Korea, het VK, Singapore, de VS en Spanje om dat te ondersteunen. Met dit wereldwijde bereik kunnen we op maat gemaakte oplossingen maken, zoals de SWC Heavy-Duty Universal Joint-koppeling-ontworpen voor universele gewrichtskoppelingssystemen voor zware machines die grote belastingen moeten verwerken en lang duren.
Innovatie en het gelukkig maken van klanten zijn onze prioriteiten. We bieden energiebesparende universele gezamenlijke koppelingsoplossingen die tot 98,6% transmissie-efficiëntie bereiken, waardoor de operationele kosten voor krachtige opstellingen worden verlaagd. Of u nu een efficiënte universele gezamenlijke koppeling nodig hebt voor grote stroomoverdracht of een lage ruis universele gewrichtskoppeling voor plaatsen waar lawaai ertoe doet, onze producten worden geleverd met professionele after-sales-service-en we zijn toegewijd om dingen goed te doen. Daarom is Raydafon de beste keuze voor al uw transmissiebehoeften.
Adres
Luotuo Industrial Area, Zhenhai District, Ningbo City, China
Tel
E-mailen


+86-574-87168065


Luotuo Industrial Area, Zhenhai District, Ningbo City, China
Copyright © Raydafon Technology Group Co., beperkte alle voorbehouden rechten.
Links | Sitemap | RSS | XML | Privacybeleid |
