QR code
Producten
Neem contact met ons op

Telefoon

Fax
+86-574-87168065

E-mailen

Adres
Luotuo Industrial Area, Zhenhai District, Ningbo City, China
Raydafon's SWC-WD short zonder flexflens type universele koppeling is gebouwd om het koppel efficiënt te verplaatsen in zware machines-denk aan stalen rollen, kranen, hefapparatuur, al die zware uitrusting. Het heeft een compact, niet-telescopisch flensontwerp, met Gyration-diameters variërend van 180 mm tot 1320 mm. Deze korte flens universele koppeling kan hoekuitlijningen tot 15 graden en het koppel zo hoog als 16000 kN · m aan, dus zelfs in krappe ruimtes waar er niet veel ruimte is, blijft het vermogen betrouwbaar overbrengen. We halen het van hoogwaardig 35CRMO-staal, met een lagerstructuur die geen bouten nodig heeft-perfect voor universele koppelingen voor zware machines en niet-telescopische universele koppelingen voor industriële toepassingen. Het vereist niet veel onderhoud en duurt voor altijd, en dat is precies wat je nodig hebt in zware opstellingen.
Onze productie in China volgt de ISO 9001-normen, dus de SWC-WD Universal-koppeling houdt in barre omstandigheden. De kruisas is verchroomd om corrosie te weerstaan, wat bijdraagt aan zijn taaiheid. Het rigide, gelaste flensontwerp maakt installatie een fluitje van een cent, vooral in metallurgie en mijnbouwapparatuur waar axiale beweging vrij minimaal is. We kunnen de grootte aanpassen aan uw behoeften, dus deze duurzame korte universele koppeling werkt geweldig als aangepaste universele koppelingen voor kraansystemen en andere zware banen. En de prijs is ook concurrerend. Het precieze vakmanschap van Raydafon betekent minder downtime en betrouwbaardere apparatuur - iets industriële exploitanten over de hele wereld kunnen rekenen.
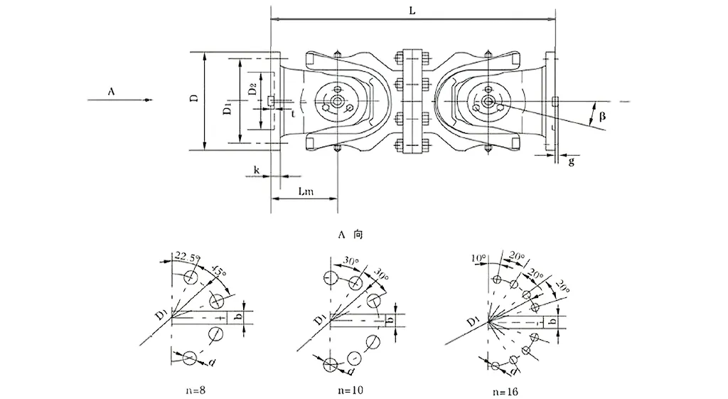
| Nee. | Gyratiediameter D mm | Nominaal koppel Tn KN · M | Bijlen vouwhoek β (°) | Vermoeid koppel TF KN · M | Grootte (mm) | Gewicht (kg) | |||||||||
| Lin | D1 (JS11) | D2 (H7) | Lm | N-D | k | t | b (H9) | g | Lin | Toename 100 mm | |||||
| SWC180WD | 180 | 12.5 | 6.3 | ≤25 | 440 | 155 | 105 | 110 | 8-17 | 17 | 5 | - | - | 0.145 | 52 |
| SWC225WD | 225 | 40 | 20 | ≤15 | 480 | 196 | 135 | 120 | 8-17 | 20 | 5 | 32 | 9.0 | 0.355 | 82 |
| SWC250WD | 250 | 63 | 31.5 | 560 | 218 | 150 | 140 | 8-19 | 25 | 6 | 40 | 12.5 | 0.831 | 127 | |
| SWC285WD | 285 | 90 | 45 | 640 | 245 | 170 | 160 | 8-21 | 27 | 7 | 40 | 15.0 | 1.715 | 189 | |
| SWC315WD | 315 | 125 | 63 | 720 | 280 | 185 | 180 | 10-23 | 32 | 8 | 40 | 15.0 | 2.820 | 270 | |
| SWC350WD | 350 | 180 | 90 | 776 | 310 | 210 | 194 | 10-23 | 35 | 8 | 50 | 16.0 | 4.791 | 370 | |
| SWC390WD | 390 | 250 | 125 | 860 | 345 | 235 | 215 | 10-25 | 40 | 8 | 70 | 18.0 | 8.229 | 524 | |
| SWC440WD | 440 | 355 | 180 | 1040 | 390 | 255 | 260 | 16-28 | 42 | 10 | 80 | 20.0 | 15.320 | 798 | |
| SWC490WD | 490 | 500 | 250 | 1080 | 435 | 275 | 270 | 16-31 | 47 | 12 | 90 | 22.5 | 25.740 | 1055 | |
| SWC550WD | 550 | 710 | 355 | 1220 | 492 | 320 | 305 | 16-31 | 50 | 12 | 100 | 22.5 | 46.780 | 1524 | |
| SWC620WD | 620 | 1000 | 500 | 1360 | 555 | 380 | 340 | 10-38 | 55 | 12 | 100 | 25.0 | 83.760 | 2120 | |
* 1. TF-onder de afwisseling Laad het koppel dat het mogelijk maakt op basis van de vermoeidheidssterkte.
Raydafon's SWC Universal Joint -koppeling - meestal de SWC Cardan Shaft Universal Joint -koppeling genoemd - is niet alleen een deel; Het is een must-have in zware industriële velden, zoals rollende molens, hijsuitrusting en allerlei zware zware machines. Als een universele gewrichtskoppeling met een hoge kuikens, doet het een solide werk met het koppelen van twee transmissiesassen die niet perfect zijn uitgelijnd, waardoor het vermogen soepel wordt geleverd, zelfs wanneer de werkomstandigheden echt hard zijn.
Laten we het hebben over de kernspecificaties: Gyratiediameter varieert van φ58 tot φ620, het nominale koppel gaat van 0,15 tot 1000 kN · m en de as vouwhoek is niet meer dan 25 °.
Deze koppeling werkt het beste op specifieke plekken-zoals wanneer u een betrouwbare zware universele gewrichtskoppeling nodig hebt voor de operaties van de rollende molen, of een duurzame SWC Universal Joint Shaft-koppeling bij het heffen van en materiaalbehandelingsapparatuur. In deze gevallen pronkt het met zijn kracht: zelfs onder grote spanningen houdt het operaties stabiel, geen puinhoop of storingen.
De SWC Universal Joint-koppeling van Raydafon wordt niet alleen samen gegooid-het is gebouwd met slimme, up-to-date engineering om geweldig te werken en lang in industrieel gebruik te houden. Laten we doorlopen wat zijn structuur opvalt.
Ten eerste heeft het een redelijke en veilige configuratie: we hebben een geïntegreerd vorkhoofdontwerp gebruikt voor deze industriële universele gewrichtskoppeling, die de risico's zoals bouten losmaakt of breken. Alleen al die tweak maakt het in het algemeen 30% -50% steviger, dus het loopt veilig en consistent. In vergelijking met reguliere koppelingen duurt het veel langer en vermijdt het veel voorkomende problemen in hoogspanningsvlekken-zoals de zware machines universele gewrichtskoppelingssystemen die je in zware banen ziet.
Dan is er zijn verbeterde belastingdragende capaciteit: deze SWC zware universele gewrichtskoppeling wordt gemaakt om grote gewichten aan te kunnen, dus het is een must-have op plaatsen die eersteklas ladingafhandeling nodig hebben, zoals mijnbouwapparatuur of bouwmachines.
Het raakt ook een hoge transmissie -efficiëntie - tot 98,6%. Als een efficiënte universele gewrichtskoppeling voor grote stroomoverdracht, snijdt het energieverbruik en de kosten die erbij horen. Daarom is het een topkeuze voor energiebesparende universele gezamenlijke koppelingsoplossingen in krachtige industriële transmissie-opstellingen.
En het loopt soepel met laag geluid: transmissie blijft stabiel en ruis zweeft meestal tussen 30-40 dB (A). Deze low-roise universele gezamenlijke koppeling houdt de activiteiten stil, wat perfect is voor industriële plekken waar lawaai een probleem is-alles terwijl de betrouwbaarheid op een hoog niveau wordt behouden.
⭐⭐⭐⭐⭐ Zhang Wei, hoofdingenieur, Henan Mining Equipment Co., Ltd.
We hebben Raydafon's SWC-WD Short zonder flexflens-type universele koppeling op onze mijnmachines geplaatst, en het paste perfect. Het compacte ontwerp is precies wat we nodig hebben voor strakke ruimtes waar er niet veel ruimte over is, en de build is sterk genoeg om de activiteiten stabiel te houden. Zelfs als het non-stop onder zware omstandigheden loopt, laat deze koppeling ons nooit in de steek-helemaal geen mislukkingen. Ons onderhoudsteam vindt het geweldig dat het nauwelijks hoeft in te checken, wat betekent dat we de productie zonder extra gedoe soepel kunnen bewegen.
⭐⭐⭐⭐⭐ Michael Brown, Operations Manager, Texas Steel Works, VS
Onze Texas-workshop bestelde de SWC-WD short zonder flexflens type universele koppeling van Raydafon, en eerlijk gezegd heeft de kwaliteit ons weggeblazen. De koppelingen zijn echt goed bewerkt, het installeren ervan is een makkie en ze houden zich betrouwbaar op, zelfs wanneer ze onder lading zijn. Wat is er het meest opgevallen? Hoe goed het de prijs en prestaties in evenwicht brengt - je vindt die sweet spot niet vaak. Het vinden van een leverancier die consequent dit kwaliteitsniveau levert, is niet eenvoudig, maar Raydafon heeft absoluut bewezen dat ze een betrouwbare partner voor ons zijn.
⭐⭐⭐⭐⭐ Anna Müller, Maintenance Supervisor, Berlin Industrial Solutions, Duitsland
We hebben Raydafon's SWC-WD short zonder flexflens-type universele koppeling op onze Berlijnse apparatuurlijn geplaatst, en de resultaten waren geweldig. Het product zelf voelt rotswaardig, het lassen is precies-geen slordig werk hier-en tot nu toe wordt het heel goed opgehouden en met een eersteklas duurzaamheid getoond. In vergelijking met sommige andere merken die we hier in Europa hebben gebruikt, is deze koppeling veel betrouwbaarder en is de prijs ook veel concurrerender. Als andere bedrijven op zoek zijn naar betrouwbare universele koppelingen, zou ik Raydafon absoluut aanbevelen.
Raydafon's SWC-WD short zonder flexflens type universele koppeling-vaak de SWC Cardan-as universele gewrichtskoppeling genoemd-is gebouwd voor strakke industriële vlekken, waar de ruimte beperkt is en je een ontwerp met een vaste lengte nodig hebt (geen telescopische extensie). Als een universele gewrichtskoppeling met een hoge kooks, beweegt het het koppel efficiënt tussen schachten die niet zijn afgestemd, waardoor hoekafwijkingen worden afgehandeld tot 25 graden, en het blijft betrouwbaar, zelfs in zware omgevingen.
Laten we het hebben over de belangrijkste functies: het heeft een compacte en rigide structuur-deze korte, niet-flexibele flensopstelling maakt het een betrouwbare zware universele gewrichtskoppeling voor de operaties van de wolken, waardoor extra stabiliteit wordt gegeven in setups waar axiale beweging minimaal is. Daarom werkt het zo goed voor verbindingen met vaste afstand in stoere machines. Dan is er zijn hoge belastingdragende capaciteit: we gebruiken stoere materialen zoals gietijzer of legeringsstaal om het te maken, dus het is een duurzame SWC Universal Joint Shaft-koppeling bij het heffen van en materiaalbehandelingsapparatuur. Het bevat grote gewichten en verzendt meer koppel dan andere koppelingen met dezelfde diameter, waardoor het perfect is voor zware ladingen in mijnbouw- of constructie -uitrusting.
Deze industriële universele gewrichtskoppeling compenseert ook het verkeerde uitlijning echt goed - of het nu hoekige, parallelle of axiale verkeerde uitlijning is, het rommelt niet met rotatiesnelheid of koppeloverdracht. Dat betekent een soepele werking in universele gewrichtskoppelingssystemen voor zware machines. En het is efficiënt in de stroomoverdracht: tot 98,6% efficiëntie raken, deze SWC zware universele gewrichtskoppeling houdt het energieverlies laag, waardoor het een efficiënte universele gewrichtskoppeling is voor grote stroomoverdracht in krachtige industriële opstellingen.
Bovendien is het ontworpen om energie te besparen en rustig te worden-als u energiebesparende universele gezamenlijke koppelingsoplossingen nodig hebt, is dit een topkeuze die operationele kosten verlagen. En het houdt geluid tussen 30-40 dB (A), dus deze lage-ruis universele gewrichtskoppeling past precies op industriële plekken waar lawaai een zorg is.
Deze koppeling schijnt echt in specifieke scenario's-zoals wanneer u een betrouwbare zware universele gewrichtskoppeling nodig hebt voor de rijmolenactiviteiten, of een duurzame SWC Universal Joint Shaft-koppeling bij tillen- en materiaalbehandelingsapparatuur. In deze gevallen, zelfs met extreme belastingen en beperkte ruimte, houdt het bewerkingen stabiel, geen hik.
Als het gaat om industriële universele gezamenlijke koppelingstoepassingen, valt onze SWC-WD-variant op met slimme engineering waardoor het beter presteert en langer meegaat. Laten we het hebben over de belangrijkste structuur: het heeft een redelijke, veilige opstelling met een geïntegreerd vorkhoofdontwerp-dit verwijdert problemen zoals bouten die loskomen of breken, waardoor de totale sterkte met 30%-50%wordt verhoogd. Dat betekent dat het veilig en betrouwbaar loopt, langer duurt dan modellen in oude stijl en gemeenschappelijke storingen in hoge spanningsplaatsen vermijdt, zoals Universal Joint-koppelingssystemen voor zware machines.
Bovendien kan het veel meer lading aan-we hebben het gebouwd om zwaardere gewichten te ondersteunen, dus deze SWC zware universele gewrichtskoppeling is perfect voor plaatsen die moeilijke laadbehandeling nodig hebben, zoals mijnbouw of bouwapparatuur. Het verplaatst ook het vermogen super efficiënt en raakt tot 98,6% transmissie -efficiëntie. Als een efficiënte universele gewrichtskoppeling voor grote stroomoverdracht, vermindert het het energieverbruik en de kosten die ermee gepaard gaan, waardoor het een topkeuze is voor energiebesparende universele gezamenlijke koppelingsoplossingen in krachtige industriële transmissie-opstellingen.
En het loopt soepel met nauwelijks lawaai-doorvoer blijft stabiel en het geluid blijft meestal tussen 30-40 dB (A). Deze low-roise universele gezamenlijke koppeling houdt de activiteiten stil, wat perfect is voor industriële plekken waar lawaai een probleem is, terwijl het op een hoog niveau betrouwbaarheid houdt.
Raydafon is niet zomaar een andere naam in transmissie-onderdelen-we zijn een toonaangevende fabrikant en leverancier van krachtige transmissiecomponenten en industriële machinesoplossingen, en we hebben een scherpe focus op producten zoals de SWC Cardan Shaft Universal Joint-koppeling. We zijn begonnen om bij te houden wat de wereldwijde industrie nodig heeft als ze evolueren, en na verloop van tijd hebben we een volledige line-up opgebouwd: versnellingsbakken, aandrijfassen, hydraulische cilinders, katrollen, precisiemachine-tools-allemaal gemaakt om te stimuleren hoe goed landbouw- en zware sectoren lopen. We zijn groot in innovatie, en daarom kunnen we betrouwbare zware universele gezamenlijke koppeling leveren voor de voortschrijdende molenactiviteiten die rechtstreeks in de meest complexe systemen passen zonder problemen.
Onze faciliteiten zijn ook eersteklas-we hebben CNC-workshops, slijp- en warmtebehandelingsuitrusting en geavanceerde 3D-meetsystemen. We houden ons vast aan strikte kwaliteitsnormen zoals ISO9001/TS16949, en die opstelling laat ons universele gezamenlijke koppelingsoplossingen met een hoge torque maken die het koppel geweldig verplaatsen en verkeerde uitlijning omgaan als een professional. Neem bijvoorbeeld onze duurzame SWC Universal Joint Shaft-koppeling bij het heffen en materiaalbehandelingsapparatuur-het is gebouwd voor plaatsen die een moeilijke belastingdragende kracht nodig hebben. En onze industriële universele gezamenlijke koppelingslijn? Het omvat allerlei soorten toepassingen waar precisie en stevigheid het meest belangrijk zijn.
Tachtig procent van wat we maken wordt geëxporteerd - naar plaatsen als de VS, Duitsland, Japan, Italië, Maleisië, Australië en het Midden -Oosten. We hebben sterke netwerken in China, Zuid -Korea, het VK, Singapore, de VS en Spanje, dus we zijn wereldwijd solide. Met dat bereik kunnen we op maat gemaakte SWC zware universele gezamenlijke koppelingsopties aanbieden-precies aan de orde gesteld wat klanten nodig hebben, zoals in zware machines Universal Joint-koppelingssystemen waar stabiel blijven onder extreme belastingen is niet-onderhandelbaar.
We geven om duurzaamheid en het maken van oplossingen die klanten op de eerste plaats stellen. Dat is de reden waarom we energiebesparende universele gewrichtskoppelingsoplossingen ontwikkelen die tot 98,6% transmissie-efficiëntie opleveren-het energieverbruik in krachten in krachtige opstellingen. Of u nu een efficiënte universele gewrichtskoppeling nodig hebt voor grote stroomtransmissie of een lage ruis universele gewrichtskoppeling voor industriële plekken waar lawaai een probleem is, onze producten worden geleverd met volledige after-sales service. Dat is hoe we een vertrouwde partner zijn geworden in de transmissie -industrie - we verkopen niet alleen onderdelen, we ondersteunen ze niet alleen.
Adres
Luotuo Industrial Area, Zhenhai District, Ningbo City, China
Tel
E-mailen


+86-574-87168065


Luotuo Industrial Area, Zhenhai District, Ningbo City, China
Copyright © Raydafon Technology Group Co., beperkte alle voorbehouden rechten.
Links | Sitemap | RSS | XML | Privacy Policy |
