QR code
Producten
Neem contact met ons op

Telefoon

Fax
+86-574-87168065

E-mailen

Adres
Luotuo Industrial Area, Zhenhai District, Ningbo City, China
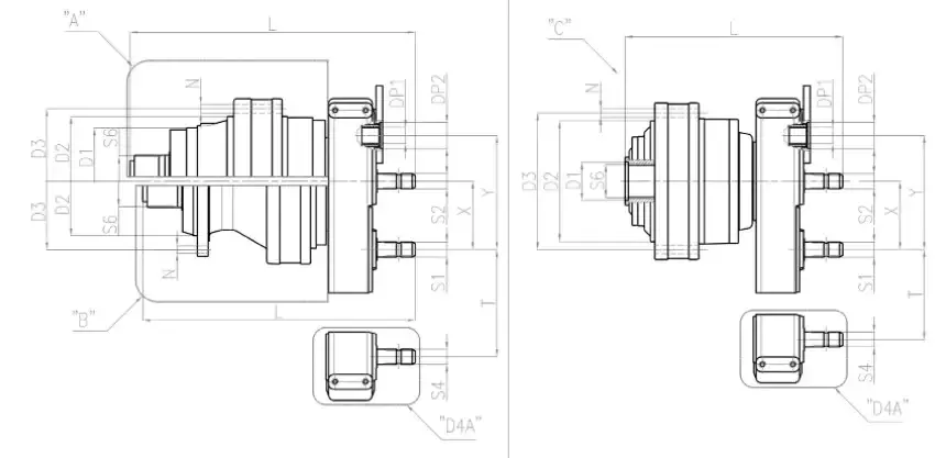
| Model | PG-702 | PG-1002 | PG-1602 | PG-1802 | PG-2502 | PG-3002 | PG-3503 | |||
| Verhouding i | 18.2 | 18.3 | 13.4-33.6 | 15.7-29.9 | 14.6-20-36.2 | 45.3 | 53.7 | |||
| Uitgangstype | B | B | B | C | B | C | A | C | C | C |
| D1 |
|
|
|
88HB |
|
88HB | 245F7 | 102H7 | 102H7 | 122HF |
| D2 | 200F7 | 230F7 | 230F7 | 278f7 | 230F | 278f7 | 340F7 | 340F7 | 340F7 | 340F7 |
| D3 | 250 | 295 | 295 | 314 | 295 | 314 | 370 | 370 | 370 | 370 |
| N | ∅15 × n ° 12 | ∅17 × n ° 10 | ∅17 × n ° 10 | ∅15 × n ° 18 | ∅17 × n ° 10 | ∅15 × n ° 18 | ∅17 × n ° 15 | ∅17 × n ° 15 | ∅17 × n ° 15 | ∅17 × n ° 15 |
| L | 646.5 | 627.5 | 693 | 490.5 | 714 | 499.5 | 798.5 | 595.5 | 601 | 680.5 |
| S6 | 70*64 DIN5482 | 80*74 DIN5482 | 100*94 DIN5482 | 80*74 DIN5482 | 100*94 DIN5482 | 80*74 DIN5482 | 100*94 DIN5482 | 100*94 DIN5482 | 100*94 DIN5482 | 120*22*5 DIN5482 |
| S1 | 1 "3/8 Z6 | 1 "3/8 Z6 | 1 "3/8 Z6 | 1 "3/8 Z6 | 1 "3/8 Z6 | 1 "3/8 Z6 | 1 "3/8 Z6 | 1 "3/8 Z6 | 1 "3/8 Z6 | 1 "3/8 Z6 |
| S2 | 1 "3/8 Z6 | 1 "3/8 Z6 | 1 "3/8 Z6 | 1 "3/8 Z6 | 1 "3/8 Z6 | 1 "3/8 Z6 | 1 "3/8 Z6 |
|
|
|
| DP1 | 40*36 DIN5482 | 40*36 DIN5482 | 40*36 DIN5482 | 40*36 DIN5482 | 40*36 DIN5482 | 40*36 DIN5482 | 40*36 DIN5482 | 40*36 DIN5482 | 40*36 DIN5482 | 40*36 DIN5482 |
| DP2 | 60.3HB | 60.3HB | 60.3HB | 60.3HB | 60.3HB | 60.3HB | 60.3HB | 60.3HB | 60.3HB | 60.3HB |
| X | 157 | 157 | 157 | 157 | 157 | 157 | 157 | 157 | 157 | 157 |
| Y | 262 | 262 | 262 | 262 | 262 | 262 | 262 | 262 | 262 | 262 |
| S4 |
|
|
|
1 "3/8 Z6 |
|
1 "3/8 Z6 |
|
1 "3/8 Z6 | 1 "3/8 Z6 | 1 "3/8 Z6 |
| T |
|
|
|
156.8 |
|
156.8 |
|
156.8 | 156.8 | 156.8 |
| Model | Verhouding i | D1 | D2 | D3 | D4 | N | E |
| PG-1602 | 22.14-33.6 | 80*74 DIN5482 | 225 F7 | 278 F7 | 314 | ∅15 × n ° 18 | SAE B/SAE C |
| PG-2502 | 20-36.2 | 100*94 DIN5482 | 245 F7 | 340F7 | 370 | ∅17 × n ° 15 | SAE B/SAE C |
| Model | Verhouding i | D1 | D2 | D3 | N | E |
| PG-161 | 3.55-2.49-5.60 | 40*36 DIN5482 | 110 F7 | 165 | ∅10,5 × n ° 8 | SAE A/SAE B/SAE BB/OMTS |
| PG-251 | 4.13-5.17-6.00 | 58*53 DIN5482 | 150 F7 | 195 | ∅13 × n ° 10 | SAE A/SAE B/SAE BB/OMTS |
| PG-501 | 4.13-5.17-6.00 | 58*53 DIN5482 | 150 F7 | 195 | ∅13 × n ° 10 | SAE A/SAE B/SAE BB/OMTS |
De ontwikkeling van dePG -serie Feed Mixer Planetaire versnellingsbakSTEMS uit een diep inzicht in de pijnpunten van het transmissiesysteem van traditionele mengapparatuur. De drie planetaire uitrusting verdeelde transmissie -architectuur is geen eenvoudige stapel van mechanische structuren, maar door herhaalde simulatie van de stressomstandigheden onder verschillende grondstofverhoudingen, wordt de gouden combinatie van tandwielmodulus, tandbreedte en helixhoek eindelijk bepaald. Bij het verwerken van maïsstengels en sojabonenmeelmengsels kan het unieke ingewikkelde tandontwerp bijvoorbeeld het risico op materiaal dat met 15%jammert, verminderen. Met het zeer nauwkeurige slijpproces wordt de ruwheid van het tandoppervlak onder RA0.8 geregeld, wat de transmissie-efficiëntie met 8% -10% verhoogt in vergelijking met traditionele versnellingsbakken. De gemeten gegevens van een feedfabriek laten zien dat in 12 uur continue werking per dag het energieverbruik van deze versnellingsbak 14% lager is dan die van vergelijkbare producten, en de koppelschommelingen van de mengas wordt verminderd met 22%, wat de menguniformiteit aanzienlijk verbetert.
Voor harde deeltjes zoals zand, steen en metalen puin die vaak worden gemengd in voedingsgroepstoffen, is deze versnellingsbak gericht in termen van materialen en processen. De tandwiellichaam is gemaakt van 20Crmnti -legeringsstaal. Na een blussende behandeling met een carburerende diepte van 1,2 mm, gecombineerd met een temperatuurproces met lage temperatuur, wordt de tandwortelbuigvermoeidheidssterkte verhoogd tot meer dan 850MPa. Onder de extreme werkomstandigheden van onvolledige grondstofscreening in een ranch, heeft de putweerstand een continue 500-uurs zand- en grind-impacttest doorstaan, en slechts kleine krassen verschenen op het tandoppervlak zonder af te pellen. Tegelijkertijd kan de versnellingsbak, door de lay -out van de ribplaat en het lageren van de planetaire drager te optimaliseren, nog steeds de transmissie -nauwkeurigheid behouden wanneer ze worden onderworpen aan een onmiddellijke impact van 1,5 keer het nominale koppel, waardoor het risico op versnellingsafwikkeling of tandbreuk veroorzaakt door overbelasting.
Het intelligente ontwerp van de versnellingsbak is afgeleid van een diep begrip van de pijnpunten van bedrijf en onderhoud in de voedingsindustrie. De ingebouwde intelligente monitoringmodule is geen eenvoudige gegevensverzamelaar, maar een kruisanalyse van temperatuur, trillingen, stroom en andere signalen via een algoritmemodel. Wanneer bijvoorbeeld de lagertemperatuur wordt gedetecteerd om abnormaal hoog te zijn, combineert het systeem de laadgeschiedenisgegevens om te bepalen of het onvoldoende smering of lagerkleding is en specifieke onderhoudsaanbevelingen pushen. Na het toepassen van dit systeem vermeed een voedingsbedrijf drie niet -geplande uitvalstijden door vet te vervangen en de lagerklaring vooraf aan te passen, en de totale apparatuurefficiëntie (OEE) nam met 18%toe. Bovendien werd het ontwerp van de modulaire snelle-release-structuur geïnspireerd door de feedback van front-line onderhoudspersoneel. Slechts vier bouten moeten worden losgemaakt om de algehele vervanging van de planetaire versnellingsset te voltooien, en de onderhoudstijd wordt verkort van 4 uur van de traditionele structuur tot 1,5 uur.
Wat betreft de optimalisatie van milieubescherming en energie -efficiëntie, komt het innovatieve ontwerp van de versnellingsbak voort uit de precieze greep op de behoeften van de voederindustrie om de kosten te verlagen en de efficiëntie te verhogen. De warmte -dissipatiestructuur verhoogt niet blindelings het warmtedissipatiegebied, maar optimaliseert de spiraalvormige hoek en afstand van de warmtedissipatieribben door vloeistofmechanica simulatie, zodat de natuurlijke warmtedissipatie -efficiëntie met 30%wordt verhoogd, waardoor het energieverbruik van de koelventilator wordt verminderd. In het smeersysteem wordt technologie met dubbele zone olieaanbod gebruikt om het olievolume dynamisch aan te passen aan de belasting, waardoor de "overstromings" smeermethode van traditionele versnellingsbakken wordt vermeden en het smeermiddelverbruik met 25%wordt verminderd. Uit de feitelijke meting van een voedingsproductielijn die naar Europa wordt geëxporteerd, toont aan dat het geluidsniveau van de versnellingsbak 5dB lager is dan de EU -standaard, en het energie -efficiëntieniveau bereikt de IE3 -norm, waardoor klanten worden geholpen om de energie -efficiëntiecertificering van het importland succesvol te geven. Dit ontwerpconcept dat technische details met commerciële waarde diep bindt, is de sleutel tot de productwinnende marktherkenning.
Hallo! Ik ben Elena García, een klant uit Barcelona, Spanje. We gebruiken je planetaire versnellingsbak al anderhalf jaar in ons fotovoltaïsche trackingsysteem van paneel. Deze apparatuur heeft ons probleem van de nauwkeurigheid van de zonneschijn volledig opgelost - de versnellingsbak die we eerder hebben gebruikt, had altijd een trackingafwijking van ongeveer 5 graden elke ochtend en avond, terwijl je planetaire versnellingsbak met encoder de trackingfout binnen 0,5 graden kan regelen. Nu is de gemiddelde dagelijkse stroomopwekking van fotovoltaïsche panelen met 18% toegenomen vergeleken met eerder, en zelfs de elektriciteitsrekening is aanzienlijk dunner geworden. Nu heeft deze planetaire versnellingsbak de test van zoutspray en sterke wind in de fotovoltaïsche krachtcentrale aan de kust weerspiegeld. De anti-corrosiecoating van de versnellingsbakbehuizing heeft geen tekenen van vallen getoond en de interne versnellingsolie hoeft niet zo vaak te worden vervangen als voorheen. Ik kijk ernaar uit om in de toekomst met u samen te werken in meer hernieuwbare energieprojecten!
Ik ben Hans Müller, een werktuigbouwkundig ingenieur uit Duitsland. Een half jaar geleden kocht ik Raydafon's planetaire versnellingsbakken voor productielijnupgrades. Nadat ze ze hadden gebruikt, overtroffen ze mijn verwachtingen! De apparatuur loopt 16 uur per dag bij hoge belasting om grondstoffen met hoge viscositeit te verwerken. Het versnellingsbakruis wordt verminderd met 20%, de transmissie -efficiëntie is stabiel met meer dan 94%, de temperatuurstijging wordt altijd geregeld binnen 25 ° C en de duurzaamheid is veel beter dan de oude modellen. Uw team was professioneel en efficiënt gedurende het hele proces, van vroege parameteroptimalisatie, afdichtingsstructuuraanpassing tot externe debugging -richtlijnen. Het gedetailleerde ontwerp (zoals stofveilige afdichtingen en gestandaardiseerde montagegaten) weerspiegelt verder een diep begrip van de werkelijke werkomstandigheden. Raydafon's productkwaliteit en serviceniveau deed me het opnemen in de lijst met langdurige leveranciers zonder aarzeling en raad het mijn collega's ten zeerste aan!
Ik heb al zoveel jaren een ranch gerund en heb vele versnellingsbakken veranderd. Pas toen ik de planetaire versnellingsbak van Raydafon gebruikte, realiseerde ik me echt wat het betekent om zorgeloos te zijn! De apparatuur die ik eerder gebruikte, was altijd onderbroek bij het mengen van kuilvoer en de versnellingen gleed vaak uit. Ik had niet verwacht dat je planetaire versnellingsbak zo krachtig zou zijn. Uw product is veel eenvoudiger te installeren dan ik dacht, en het is ook gemakkelijk te onderhouden. De laatste keer dat ik zelf een dagelijkse inspectie deed, ontdekte ik dat de versnellingsbak zeer goed was verzegeld en dat er helemaal geen tekenen van olielekkage was. Ik zal je in de toekomst zeker blijven steunen en je aanbevelen aan mijn ranchervrienden! ---- Mark Johnson
Adres
Luotuo Industrial Area, Zhenhai District, Ningbo City, China
Tel
E-mailen


+86-574-87168065


Luotuo Industrial Area, Zhenhai District, Ningbo City, China
Copyright © Raydafon Technology Group Co., beperkte alle voorbehouden rechten.
Links | Sitemap | RSS | XML | Privacy Policy |
